×ðÁú¿­Ê±

¹Ü°åº¸½Óϵͳ
TPN19 ȫλÖÃÄڿ׺¸Ç¹

ÏúÊÛÈÈÏߣº 0512-57328118

²úÆ·¸ÅÊö

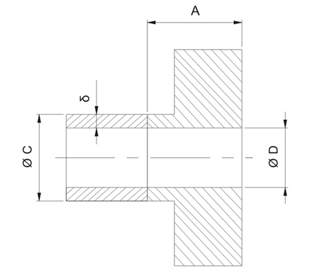
¸Ãº¸Ç¹ÊÇרΪ¹Ü×Ó¡¢¹Ü°åÈ«×Ô¶¯TIGÄڿ׺¸½ÓÉè¼ÆµÄ£¬ÊÊÓÃÓÚÄڿ׹ܰåÐÎʽµÄ×Ô¶¯»¯º¸½Ó  ¡£¿Éº¸½Ó̼¸Ö¡¢²»Ðâ¸ÖµÈµÈ¸÷¹Ü×Ó/¹Ü°åÌÖÂÛÐÎʽ£¬²»ÌîË¿  ¡£¹Ü×ÓÄÚ¿×Ö±¾¶¹æÄ£Ðè¡Ý?19mm  ¡£¿ÉÓëiOrbital5000³Ì¿Øº¸½ÓµçÔ´ÅäÌ×ʹÓ㬿ÉϸÃÜʵÏÖȫλÖÃTIGÄڿ׺¸½Ó£¬º¸½ÓЧ¹ûÖØÏÖÐԸߣ¬¿ÉµÖ´ïÀíÏëµÄº¸½ÓЧ¹û  ¡£Ö÷ÒªÓ¦ÓÃÓÚʯ»¯¡¢¹øÂ¯¡¢¾ü¹¤ºÍºËµçµÈÐÐÒµ  ¡£

 


ÐÔÄÜÌØµã

×ðÁú¿­Ê±ÈËÉú¾ÍÊDz©¡¤(Öйú)¹ÙÍø  ÊÊÓÃÓÚʯ»¯ÐÐÒµ»»ÈÈÆ÷¹Ü°åÄڿ׺¸ £»

×ðÁú¿­Ê±ÈËÉú¾ÍÊDz©¡¤(Öйú)¹ÙÍø  ¿ÉÖª×ãСÄÚ¾¶¦µ19mm¹Ü°åµÄº¸½Ó £»

×ðÁú¿­Ê±ÈËÉú¾ÍÊDz©¡¤(Öйú)¹ÙÍø  ¶¨Î»×¼È·£¬²Ù×÷¼òÆÓÀû±ã £»

×ðÁú¿­Ê±ÈËÉú¾ÍÊDz©¡¤(Öйú)¹ÙÍø  ÊÊÓÃÓÚ̼¸Ö¡¢²»Ðâ¸ÖµÈ²ÄÖʺ¸½Ó £»

×ðÁú¿­Ê±ÈËÉú¾ÍÊDz©¡¤(Öйú)¹ÙÍø  ¿Éƾ֤Óû§²úÆ·ÐèҪרÃÅÉè¼Æ  ¡£


ÊÖÒÕ²ÎÊý

¿Éº¸²ÄÖÊ

̼¸Ö¡¢²»Ðâ¸Ö

¿Éº¸¹Ü¾¶?D£¨mm£©

¡Ý¦µ19

Éì½ø³¤¶ÈA£¨mm£©

20¡«120

¹Ü×Ó±Úºñ¦Ä£¨mm£©

1¡«2.5

¹Ü°åÐÎʽ

¹Ü²å½Ó¡¢¹ÜƽÆë

ÎÙ¼«Ö±¾¶£¨mm£©

¡é2.4

ÐýתËÙÂÊ£¨rpm£©

0.37¡«7.39

»¡³¤µ÷Àí¼ä¾à£¨mm£©

15

± £»¤ÆøÌå

ë²Æø

ÀäÈ´·½·¨

Ë®Àä

ÀäÈ´Á÷Á¿£¨ml/min£©

¡Ý300

ÖØ  Á¿£¨kg£©

11(²»º¬µçÀÂ)

ÐÎ×´³ß´ç(mm)

570¡Á290¡Á510


ÊÖÒÕ²ÎÊý


Ïà¹Ø±êÇ©£º¹Ü¹Üº¸

¡¾ÍøÕ¾µØÍ¼¡¿¡¾sitemap¡¿